◎ 本報特約作者 南京大學超導電子學研究所教授、所長王華兵,教授孫國柱,博士李金朋
北京時間2025年10月7日,諾貝爾委員會宣布,將2025年的諾貝爾物理學獎頒給約翰·克拉克(John Clarke)、米歇爾·H·德沃雷(Michel H. Devoret)和約翰·M·馬蒂尼斯(John M. Martinis)3人,以表彰他們“在電路中發現宏觀量子隧穿效應與能量量子化現象”。
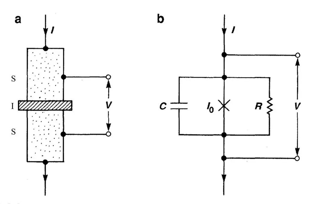
獲獎的實驗工作,主要是1985年左右,在美國加州大學伯克利分校物理系和勞倫斯伯克利實驗室材料和分子研究部,由約翰·克拉克與其博士后米歇爾·H·德沃雷和博士生約翰·M·馬蒂尼斯共同完成(時年分別為43歲、32歲和27歲)。他們在基于超導體構建的宏觀電路——電流偏置的約瑟夫森結中,展示了一般認為只有在微觀世界中才具有的量子隧穿和能量量子化現象,證明了由大量粒子構成的宏觀物體也可以像單個微觀粒子一樣遵守量子力學原理,體現出宏觀量子力學效應(Macroscopic Quantum Effect, MQE)。這一發現,對于深入探索量子力學的適用尺度,發展基于超導電路的宏觀量子器件,繼而開展超導量子信息技術研究具有深遠的意義。

推動在宏觀物理系統中觀測量子力學效應
一般認為,量子力學的使用范圍是微觀尺寸,比如電子、原子、分子,尺寸不超過納米級別,然而,3位諾獎獲得者展示的超導電路,其尺寸在數十微米量級,已是肉眼可以分辨的尺寸級別。在如此大的尺寸下,觀測到量子隧穿和能量量子化現象,說明在特定條件下,量子力學的適用范圍可以推廣到宏觀物體。他們的開創性研究成果,直接激勵了人們在諸如質量達數十微克的機械振子、電磁場和玻色愛因斯坦凝聚體中觀測類似的宏觀量子力學效應,也將使人們進一步去設想在更大甚至人體等宏觀物理系統觀測量子力學效應的可能性。
幾乎與約翰·克拉克等開展實驗工作的同時,20世紀80年代初,物理學家費曼就提出了利用量子計算機來模擬量子系統。用經典計算機模擬復雜量子系統,需要巨大甚至無法實現的資源。而量子計算機,其基本原理就是量子力學,因此,模擬量子系統是自然而然的事情。然而,要實現實用的量子計算機,需要類似經典計算機一樣的包括CPU、主板等硬件系統。3位諾獎獲得者的工作,證明了經過仔細構建的超導電路可以按照量子力學原理運行,而這是能夠進一步開展超導量子計算研究的重要前提!此外,實驗中所用超導電路的設計、制備與成熟的半導體工藝十分相似,有些還是兼容的,在可擴展、可控性方面有著很好的優勢。這個超導電路類似人工原子,其中的量子化能級是可以原位控制和改變的,可以通過直流、射頻、微波等方式,非常方便地對這些人工原子進行量子態的制備、操控和讀取。
量子計算正在形成相應產業鏈
正是今年諾獎工作建立的核心前提,以及興起于20世紀90年代的量子計算研究大潮,讓包括獲獎者在內的多位物理學家一起逐漸拉開了超導量子計算研究的序幕。進入21世紀后,全世界的眾多研究者積極探索,推動了超導量子技術的快速發展,在材料、架構、性能和理論等方面,都有系統性的進步。從最開始的Pb、Al、Nb到現在的Ta;從最早的超導電荷量子比特、磁通量子比特、相位量子比特,到現在各種優化的諸如傳輸子量子比特;從最開始的能量弛豫時間幾個納秒到現在的毫秒量級相干時間;從最開始的單個約瑟夫森結到現在千數量級的超導量子比特規模;從早期“玩具型”的量子算法演示,到現今深入開展的量子糾錯研究。眾多技術的發展,令人對超導量子計算機的實用化充滿了期待。
今年諾貝爾物理學獎的頒發,一方面會激勵人們在更大物理系統中進行宏觀量子力學效應的探索和應用研究,諸如在更大空間尺度和更大質量的無機甚至有機系統中的MQE研究;另一方面也會讓基于超導電路開展基礎物理和潛在應用研究的群體更加受到鼓舞,諸如利用超導量子電路開展暗物質粒子探測和超導量子計算機研究等,繼續推動相關技術的突破。對于有重大應用潛力的量子計算機研究,一旦超導量子計算機或者任何一種通用量子計算機實現了,對于全球的各個領域,特別是國防、經濟、人工智能等領域都會產生極大影響。因此,許多政府都從國家層面制定了量子計算的發展規劃,眾多商業公司也投入了許多資源開發量子計算這一高新技術。目前,包括超導在內的量子計算,正在形成相應的產業鏈,未來必將推動更多相關產業的發展。值得提及的是,諾獎的認可,會讓普通大眾對量子力學現象和超導量子技術的興趣和認識進一步提升。同時,我們也注意到,此次諾獎是對基礎量子物理實驗研究的認可,并沒有直接授獎于相關量子信息技術。科學家們還在努力推動包括超導量子計算機研究在內的相關技術突破,爭取早日實用化。
(本文編輯:朱廣清)
友情鏈接: 政府 高新園區合作媒體
Copyright 1999-2025 中國高新網chinahightech.com All Rights Reserved.京ICP備14033264號-5
電信與信息服務業務經營許可證060344號主辦單位:《中國高新技術產業導報》社有限責任公司